Таг архив

Mazda разрабатывает новые роторные двигатели

Mazda разрабатывает новые роторные двигатели

Новый моторный цех начнет работу уже в следующем месяце. Генеральный директор Mazda Масахиро Моро сообщил, что автопроизводитель создал отдел разработки роторных двигателей, который начнет работу в феврале. Анонс был сделан на Токийском автосалоне 2024 года, наряду с другими интересными разработками Mazda . Хотя роторный двигатель тесно связан с высокопроизводительными автомобилями …

Читать »

Rotor is back. Возвращение блудного ротора

Rotor is back. Возвращение блудного ротора

После многих лет ложных надежд Mazda наконец-то строит серийную модель с роторным двигателем. Свыше десяти лет было затишье, в связи с прекращением производства RX — 8. Правда есть одно но! К сожалению новой моделью оснащенной роторным двигетелем будет не RX-9 как планировалось, а MX-30 ( это подключаемый гибридный кроссовер с …

Читать »

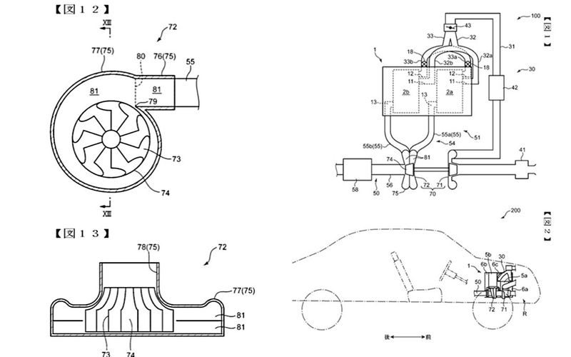
Новый роторный турбодвигатель Mazda

Новый роторный турбодвигатель Mazda

Согласно информации от www.carscoops.com, Мазда подала 2 патента на рассмотрение. Два патента, поданных компанией Mazda на рассмотрение, описывают роторный двигатель с турбонаддувом, который, если запустят в производство, будет устанавливаться на долгожданного преемника RX-7. Mazda давно заявляла о своем намерении вывести на рынок новый спортивный автомобиль с роторным мотором, но обещала …

Читать »

На базе RX-8 Mazda может создать новую модель

На базе RX-8 Mazda может создать новую модель

Слухи о возможном появлении преемника Mazda RX-8 появились внутри автомобильной общественности. Но пока они не нашли убедительного подтверждения. Известно, что решение о прекращении выпуска Mazda RX-8 было принято еще в 2012 году. Однако официальные представители японской корпорации из беседы с ними в Лос-Анджелесе не исключили, что на базе автомобиля может …

Читать »

Mazda подтвердила возвращение роторного двигателя

Mazda подтвердила возвращение роторного двигателя

Слухи оказались правдой. Mazda возвращает роторный двигатель, но пока рано радоваться. Вместо того, чтобы послужить сердцем будущего спортивного автомобиля RX, «исключительно тихий» роторный двигатель будет выступать в качестве одного из вариантов в линейке двигателей. Причем он будет отвечать за зарядку аккумуляторной батареи в движении, чтобы увеличить запас хода электрифицированных моделей. …

Читать »